通知公告

变温原位力学扫描系统(GeminiSEM360)试运行公告

2025-09-02


taptap国际服最新版变温原位力学扫描系统已经安装完毕,即日起对校内开放试运行,欢迎校内师生预约测试!

 

一、基本参数

1、场发射扫描电镜电子光学系统(GeminiSEM360)

产地:英国(CARL ZEISS)

主要技术参数:

二次电子分辨率(0.7nm@15kV,1.2nm@1kV)、最大放大倍数(1,000,000X)、电子束加速电压(0.02-30kV)、样品室(358mm(Φ)×270mm(h))、样品台(五轴优中心马达驱动样品台X≥130mm,Y≥130mm,Z≥50mm,R(旋转)=360°,T(倾斜)=-3°~+70°)。

2、附件配置:

原位台力学加载模块和升温模块:

最大载荷(5000N)、载荷分辨率(1N)、加载速率(0.55-30µm/s)、最大行程(20mm)、温度范围(室温~800℃)、温度调节精度(0.1℃)。

扫描电镜内集成原子力显微镜:

最大样品尺寸(10mm×10mm×5mm)、分辨率(数字像素尺寸Z<20pm)、AFM压电陶瓷台(XY行程15mm×15mm)、移动精度(<100nm)、扫描模式(接触式、非接触式、敲击模式)、扫描范围(20µm×20µm)。

扫描电镜内集成纳米操纵仪(Kleindiek MM3A-EM):

步进精度(Z<0.05nm,X<0.5nm,Y<0.5nm)、绕轴旋转功能(同心旋转同心度<30µm,绕轴旋转恢复精度<0.02°)、移动范围(X/Y方向摆动最大240°,Z轴延展最大距离可至12mm)、最大移动速率(X/Y轴=10mm/s,Z轴=2mm/s)、闭环设计(重复精度<2µm,可一键将操纵仪移至预设位置)。

能谱仪(Oxford UltimMax65):

能量分辨率(Mn Kα保证优于127eV@计数率130,000cps,F Kα保证优于64eV@计数率130,000cps,C Kα保证优于56eV@计数率130,000cps)、元素分析范围(Be4~Cf98)。

 

二、应用领域

变温原位力学扫描系统基于GeminiSEM360型扫描电镜,配备独立的原位力学拉伸台(配置加热模块)、EDS探头/EBSD探头、原子力显微镜、纳米操纵仪。可在扫描电镜中进行力、热联合加载的同时,对样品表面微观结构演变进行实时观测与分析,如自动拍摄SEM图像、自动控制EDS/EBSD数据采集等。集成在扫描电镜里的原子力显微镜可实现原位操纵AFM探针以获取样品表面结构、力学、电学等性质。适用于物理、材料、化学、微电子等多个学科领域的前沿研究。

 

三、送样须知

1、送样请至少提前一周预约,并说明样品类型及实验条件,试运行期间对校内免费开放原位力学测试AFM测试功能,其他功能(如SEM、EDS、EBSD)按照已有收费标准收费运行。

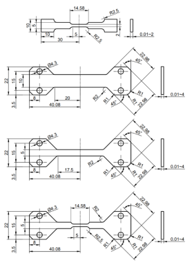
2、变温原位力学模块装卸需较长时间稳定真空,一天至多测试两个样品,样品尺寸如下图(请自行制样):

 

3、AFM测试请提前沟通测试模式。

 

预约请登录://www.hisxg.com/

地点:点点app尖端科技楼101F

联系人:胡老师 15623268602

最新推荐

Baidu
taptap点点